Правильная заточка, высокая стойкость к износу, надежность на разных скоростях — у режущего инструмента много критериев качества. Алмазная фреза с нижним подшипником SÄGEDOKTOR D.31,7/12.7x9,5/45° S.8 Z=2 H=3 RH 803.20250507 SNT — эталон по всем параметрам. Производитель Rotis (Китай) выбирает сплавы с лучшими характеристиками, чтобы пользователи получили максимально производительную и эффективную оснастку, которая способна работать в интенсивных режимах и упрощает технологические операции. При общей длине 59 мм она легко и быстро фиксируется в ручных фрезерах, станках и отлично справляется со своими задачами, обеспечивая безупречное качество реза и итоговой поверхности. Подходит в том числе для работы с изделиями, к которым предъявляются строгие требования в плане геометрической точности.
Описание
Характеристики
Описание
Характеристики
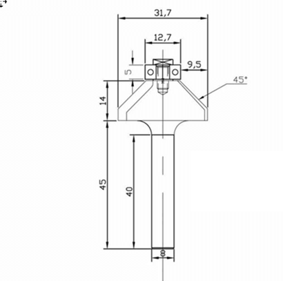
Диаметр хвостовика, мм
8
Диаметр режущей части, мм
31.7
Длина режущей части, мм
14
Длина хвостовика, мм
40
Количество зубьев, шт
2
Производитель
Rotis
Страна происхождения
Китай
Общая длина, мм
59
Обрабатываемые материалы
МДФ, Ламинат, HPL
Сплав
PCD / DP алмаз
Вид инструмента
Радиусные фрезы, Фасочные фрезы
Наличие подшипника
Нижний








