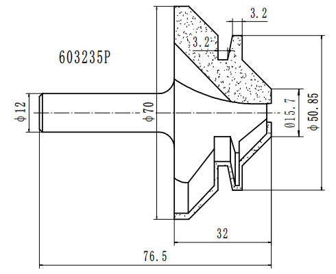
Правильная заточка, высокая стойкость к износу, надежность на разных скоростях — у режущего инструмента много критериев качества. Фреза угловое сращивание 45° (15-28.5мм) Z=2 D=70x32x74 S=12 PROCUT 603235P — эталон по всем параметрам. Производитель PROCUT (Китай) выбирает сплавы с лучшими характеристиками, чтобы пользователи получили максимально производительную и эффективную оснастку, которая способна работать в интенсивных режимах и упрощает технологические операции. При общей длине 74 мм она легко и быстро фиксируется в ручных фрезерах, станках и отлично справляется со своими задачами, обеспечивая безупречное качество реза и итоговой поверхности. Подходит в том числе для работы с изделиями, к которым предъявляются строгие требования в плане геометрической точности.
Описание
Характеристики
Описание
Характеристики
Диаметр хвостовика, мм
12
Диаметр режущей части, мм
70
Длина режущей части, мм
32
Количество зубьев, шт
2
Угол, гр
90
Производитель
PROCUT
Страна происхождения
Китай
Общая длина, мм
74
Оборудование
Ручной фрезер, Фрезерный станок, ЧПУ станок
Обрабатываемые материалы
Акрил, ПВХ, МДФ, Дерево, Фанера, АБС, Пенопласт, ДВП, Ламинат, ДСП
Сплав
Твёрдый сплав Ceratizit
Тип обработки
Чистовая, Паз
Вид инструмента
Фрезы для сращивания
Наличие подшипника
Без подшипника








