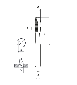
Метчик маш/руч M3,5X0.6 DIN371 с покрытием TIN сквозной (HSS) RODMIX 1602035060 — простой инструмент, но именно от его качества зависит точность нарезаемой внутренней резьбы. Им можно работать как в глухих, так и в сквозных отверстиях диаметром 2.9 мм. Современная технология изготовления и высокопрочный материал, которые использует производитель (Китай), обуславливают впечатляющую износостойкость оснастки. При этом у нее выверенные массогабаритные характеристики для удобства эксплуатации: при общей длине 56 мм режущая часть составляет 14 мм, а диаметр хвостовика 4 мм при посадочном размере квадрата 3. Основная опция — создание резьбы М3,5 (Метрическая резьба) с шагом 0.6. Прямые стружечные канавки являются еще одной отличительной чертой данного инструмента.
Описание
Характеристики
Описание
Характеристики
Тип резьбы
Метрическая резьба
Тип стружечных канавок
Прямые
Резьба
М3,5
Шаг резьбы
0.6
Общая длина, мм
56
Длина режущей части, мм
14
Диаметр хвостовика, мм
4
Посадочный размер квадрата, мм
3
Диаметр отверстия, мм
2.9
Покрытие
TiN
Обрабатываемые материалы
Медь, Латунь, Композит, Магний, Алюминий, Сталь
Сплав
HSS
Производитель
RODMIX
Страна происхождения
Китай








