Описание
Характеристики
Описание
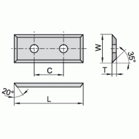
Общая производительность при металлообработке зависит не только от характеристик станка, но и от надежности оснастки. Нож Dimar C80360081 твердый сплав 29.5x9x1.5 — качественное решение, которое отлично себя зарекомендовало на производствах разного уровня. Всего за 380 руб. вы получите инструмент, который обеспечит максимальную точность при выполнении операций и повысит скорость обработки материалов. Производитель Dimar делает ставку на современные технологии и сплавы высокой твердости, чтобы добиться идеальных рабочих параметров, актуальных даже для сложных условий эксплуатации. Поэтому у ножей бренда всегда впечатляющий ресурс.
Характеристики
Производитель
Dimar
Страна происхождения
Израиль

